Description
Product Description
Brand: Topsealkit
Model Compatibility: Krupp HM1500 Hydraulic Breaker
Part Name: Hydraulic Breaker Seal Kit / Hydraulic Hammer Seal Kit
Working Tool Diameter: 150 mm
Material: TPU + HNBR + PTFE
Position: Krupp Hydraulic Breaker System
Certification: ISO 9001
Packaging Details: Bag or Box + Carton
Delivery Time: 2–5 days after payment confirmation
Brand Option: Topsealkit, OEM, or as required
Payment Terms: TT / PayPal / Western Union
Supply Ability: 500 sets
MOQ: 1 set
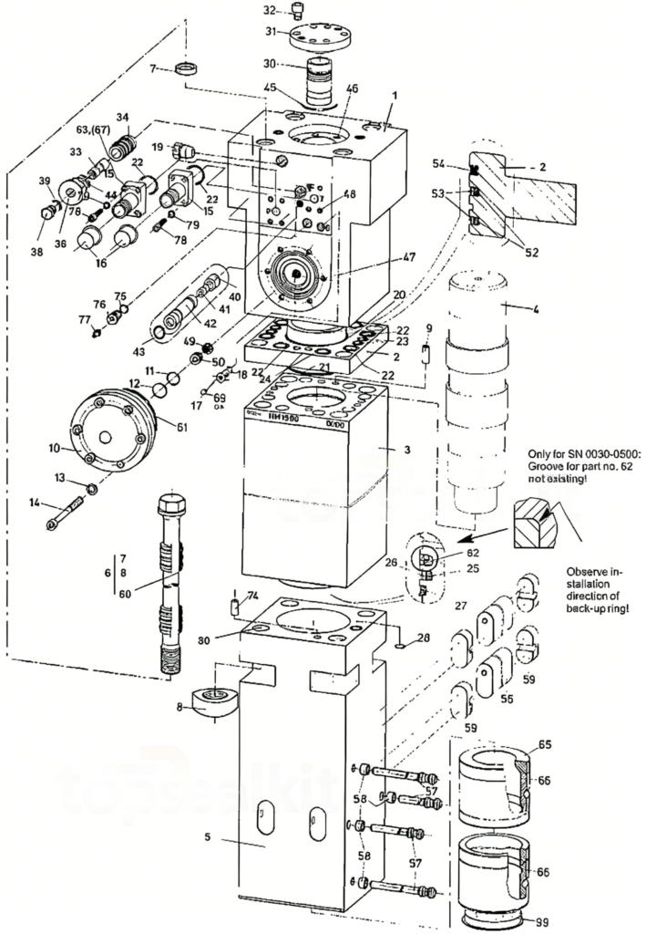
Parts list
| Part no. | Pt. id. no. | Quantity | Designation |
| − | 3363 0870 66 | 1 | Percussion unit |
| HM 1500 S Eco | |||
| (from ser. no. 2331 on) | |||
| − | 3363 0870 68 | 1 | Percussion unit |
| HM 1500 S Marathon® | |||
| (from ser. no. 2331 on) | |||
| GG1 | 3363 0344 79 | 1 | Cylinder cover with parts |
| 46−50 | |||
| H2 | 3363 0871 55 | 1 | Seal flange |
| H3 | 3363 0865 81 | 1 | Cylinder with parts 70−72 |
| H4 | 3363 0862 93 | 1 | Percussion piston |
| H5 | 3363 0870 75 | 1 | Lower hammer part with |
| parts 2 x 57, 58, 64−66, 80 | |||
| H5 | 3363 0870 76 | 1 | Lower hammer parts with |
| parts 2 x 57, 58, 68, 80 | |||
| H6 | 3363 0870 89 | 4 | Tensioning bolt with parts |
| 7 and 60 | |||
| H7 | 3361 8543 31 | 4 | Washer |
| H9 | 3362 2681 85 | 2 | Locking pin |
| 10 | 3363 0695 85 | 1 | Accumulator HP |
| 11 K | 3361 0319 12 | 1 | Oring |
| 12 K | 3361 8505 29 | 1 | Back−up ring |
| 13 | 3361 3337 03 | 6 | Pair of locking rings |
| 14 | 3363 0704 90 | 6 | Cylindrical bolt |
| 15 | 3363 0340 41 | 2 | Blind flange |
| (from ser. no. 2342 on); | |||
| 17 | 3363 0872 86 | 1 | Filling valve with parts 18 and |
| 18 K | 3360 1751 25 | 1 | Oring |
| 19 | 3361 8545 11 | 1 | Non−return valve |
| 20 K | 3361 0319 51 | 1 | Oring |
| 21 K | 3361 0319 50 | 1 | Oring |
| 22 K | 3360 3143 72 | 18 | Oring |
| 23 K | 3360 4780 98 | 10 | Oring |
| 24 K | 3362 2675 82 | 4 | Oring |
| 25 K | 3361 8551 00 | 1 | Oring |
| 26 K | 3361 8543 39 | 1 | Sealing |
| 27 K | 3363 0836 69 | 1 | Stripper |
| 28 K | 3360 4780 97 | 1 | Oring |
| 30 | 3363 0354 39 | 1 | Control valve |
| 31 | 3361 3315 55 | 1 | Cap |
| 32 | 3360 1037 76 | 6 | Cylindrical bolt |
| 34 | 3363 0354 25 | 1 | Screw plug |
| 35 K | 3360 3143 70 | 1 | Oring |
| 36 | 3363 0354 53 | 1 | Valve |
| 37 | 3360 2065 98 | 2 | Eye bolt |
| 38 K | − | -2 | Sealing (see part 40) |
| 39 K | − | -2 | Back−up ring (see part 40) |
| 40 K | 3363 0835 89 | 2 | Set of sealings with |
| parts 38 and 39 | |||
| 45 | 3360 3143 75 | 1 | Oring |
| 46 | 3361 0315 29 | 6 | Threaded insert |
| 47 | 3361 0319 89 | 6 | Threaded insert |
| 48 | 3361 0319 46 | 8 | Threaded insert |
| 49 | 3361 8441 13 | 1 | Sieve disk |
| 50 | 3361 8441 15 | 1 | Screw plug |
| 52 | − | -1 | Sealing (see part 62) |
| 53 | − | -1 | Stützring (see part 62) |
| 54 | 3363 0870 27 | 1 | Sealing |
| 56 | 3360 9819 27 | 2 | Retainer bar |
| 57 | 3361 8543 47 | 4 | Bolt |
| 58 | 3361 8543 63 | 4 | Locking bush |
| 59 | 3362 2629 25 | 4 | Seal plug |
| 60 | 3363 0865 85 | 4 | Tensioning bolt |
| 61 | 3361 0319 90 | 1 | Oring |
| 62 | 3363 0835 90 | 1 | Set of sealings with |
| parts 52 and 53 | |||
| 64 | 3363 0885 07 | 1 | Wear bush |
| 65 | 3363 0690 79 | 1 | Buffer ring |
| 66 | 3363 0691 83 | 1 | Wear bush |
| 68 | 3363 0887 07 | 1 | Base |
| 69 | 3360 4784 26 | 1 | Threaded plug |
| 70 | 3363 0825 93 | 1 | Threaded plug |
| 71 | 3363 0825 05 | 1 | Valve bush |
| 72 | 3363 0832 45 | 1 | Oring |
| 74 | 3362 2617 05 | 1 | Locking pin |
| 75 | 3360 4781 71 | 1 | Oring |
| 76 | 3361 8546 57 | 1 | Connecting screw |
| 77 | 3360 4337 74 | 1 | Lubricating nipple |
| 78 | 3360 1060 74 | 8 | Cylindrical bolt |
| 79 | 3362 2615 63 | 8 | Lock washer |
| 80 | 3363 0853 79 | 4 | Threaded insert |
| 99 | 3360 9953 40 | 1 | Dust cap |
Application chart

Why Choose Topsealkit?
✅ Best Quality – Premium TPU, HNBR, and PTFE materials deliver superior sealing performance and durability.
✅ Market-Focused Design – Special packaging and top quality help you gain more customers and better profit.
✅ Easy Installation – Every seal has its correct position, making installation simple and professional.
✅ Long Lifetime – Special treatment helps seals resist oxidation, water, and oil for extended service.
✅ Sponge Protection – Protective sponge helps seals resist oxidation and stay effective longer.
✅ OEM-Compatible – Designed to meet or exceed OEM standards.
Compatible Model
This seal kit fits the following hydraulic breaker model:
-
Krupp HM1500 (150mm working tool diameter)
Technical Specifications
| Specification | Detail |
|---|---|
| Part Name | Hydraulic Breaker Seal Kit |
| Compatible Model | Krupp HM1500 |
| Working Tool Diameter | 150 mm |
| Material | TPU + HNBR + PTFE |
| Position | Krupp Hydraulic Breaker System |
| Certification | ISO 9001 |
Additional Seal Kits & Parts Available
We also supply a full range of seal kits and replacement parts for excavators and hydraulic breakers, including:
-
Hydraulic breaker diaphragms / membranes
-
Coil springs for accumulator
-
Diaphragm supports
-
Hydraulic breaker seal kits for various brands
-
Hydraulic cylinder seal kits (Boom, Arm, Bucket)
-
Center joint seal kit
-
Track adjuster seal kit
-
Tensioner cylinder seal kit
-
Gear pump seal kit
-
Hydraulic pump seal kit
-
Travel pump seal kit
-
Control valve seal kit
-
Swing pump seal kit
-
O-ring kits
-
Floating seal kits
-
Rotary bearing seals
Compatible hammer brands we support:
Krupp, Soosan, Furukawa, Atlas Copco, Epiroc, Montabert, Komatsu, NPK, MSB, Toku, Toyo, Rammer, DAEMO, Sandvik, and more.
Fast Shipping & Reliable Service
-
Fast handling: 2–5 days delivery after payment
-
Global shipping available
-
Professional packaging to ensure product safety


Reviews
There are no reviews yet.